貼片電阻常見封裝有9種,用兩種尺寸代碼來表示。一種尺寸代碼是由4位數字表示的EIA(美國電子工業協會)代碼,前兩位與后兩位分別表示電阻的長與寬,以英寸為單位。我們常說的0603封裝就是指英制代碼。另一種是米制代碼,也由4位數字表示,其單位為毫米。
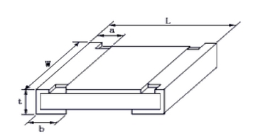
下表列出貼片電阻封裝英制和公制的關系及詳細的尺寸:
英制
(inch) |
公制
(mm) |
長(L)
(mm) |
寬(W)
(mm) |
高(t)
(mm) |
a
(mm) |
b
(mm) |
|
0201 |
0603 |
0.60±0.05 |
0.30±0.05 |
0.23±0.05 |
0.10±0.05 |
0.15±0.05 |
|
0402 |
1005 |
1.00±0.10 |
0.50±0.10 |
0.30±0.10 |
0.20±0.10 |
0.25±0.10 |
|
0603 |
1608 |
1.60±0.15 |
0.80±0.15 |
0.40±0.10 |
0.30±0.20 |
0.30±0.20 |
|
0805 |
2012 |
2.00±0.20 |
1.25±0.15 |
0.50±0.10 |
0.40±0.20 |
0.40±0.20 |
|
1206 |
3216 |
3.20±0.20 |
1.60±0.15 |
0.55±0.10 |
0.50±0.20 |
0.50±0.20 |
|
1210 |
3225 |
3.20±0.20 |
2.50±0.20 |
0.55±0.10 |
0.50±0.20 |
0.50±0.20 |
|
1812 |
4832 |
4.50±0.20 |
3.20±0.20 |
0.55±0.10 |
0.50±0.20 |
0.50±0.20 |
|
2010 |
5025 |
5.00±0.20 |
2.50±0.20 |
0.55±0.10 |
0.60±0.20 |
0.60±0.20 |
|
2512 |
6432 |
6.40±0.20 |
3.20±0.20 |
0.55±0.10 |
0.60±0.20 |
0.60±0.20 |
貼片電容和貼片電阻都是一樣可以用的,0805,1206等
貼片電阻電容功率與尺寸對應表
|
英制 |
公制 |
額定功率 |
|
0201 |
0603 |
1/20W |
|
0402 |
1005 |
1/16W |
|
0603 |
1608 |
1/10W |
|
0805 |
2012 |
1/8W |
|
1206 |
3216 |
1/4W |
|
1210 |
3225 |
1/3W |
|
1812 |
4832 |
1/2W |
|
2010 |
5025 |
3/4W |
|
2512 |
6432 |
1W |
電容電阻外形尺寸與封裝的對應關系是:
0402=1.0x0.5
0603=1.6x0.8
0805=2.0x1.2
1206=3.2x1.6
1210=3.2x2.5
1812=4.5x3.2
2225=5.6x6.5
國內貼片電阻的命名方法:
1、5%精度的命名: RS-05K102JT
2、1%精度的命名:RS-05K1002FT
R -表示電阻
S -表示功率:0402是1/16W、0603是1/10W、0805是1/8W、1206是1/4W、 1210是1/3W、1812是1/2W、2010是3/4W、2512是1W。
05 -表示尺寸(英寸):02表示0402、03表示0603、05表示0805、06表示1206、1210表示1210、1812表示1812、10表示1210、12表示2512。
K -表示溫度系數為100PPM。
102-5%精度阻值表示法:前兩位表示有效數字,第三位表示有多少個零,基本單位是Ω,102=10×10²Ω=1000Ω=1KΩ。1002是1%阻值表示法:前三位表示有效數字,第四位表示有多少個零,基本單位是Ω,1002=100000Ω=10KΩ。
J -表示精度為5%、F-表示精度為1%。
T -表示編帶包裝。
貼片阻容件常見疑問
1、貼片電阻的阻值表示與貼片電容容值表示都是數字與“R”組合表示的。譬如:3ohm用3R0表示,10ohm用100表示,100ohm用101表示,也就是說“R”表示點“.”的意思,而101后面個位數的“1”表示的是帶有1個0,例如102表示10000。
2、電阻上的數字和字母表示的就是阻值,R002就表示0.002ohm,180表示的就是18ohm.
3、怎樣區分貼片的電阻與電容,由于電阻上面有白色的字體表示,所以除端角外背景顏色應該是黑色的,而電容上就沒有字體表示,也不會有黑色的顏色,因為有黑色的話容易讓人產生誤會電容被氧化。
貼片電阻精度命名方法
貼片電阻阻值誤差精度有±1%、±2%、±5%、±10%精度,常規用的最多的是±1%和±5%,
±5%精度的常規是用三位數來表示例 例512,前面兩位是有效數字,第三位數2表示有多少個零,基本單位是Ω,這樣就是5100歐,1000Ω=1KΩ,1000000Ω=1MΩ
為了區分±5%,±1%的電阻,于是±1%的電阻常規多數用4位數來表示 ,
這樣前三位是表示有效數字,第四位表示有多少個零4531也就是4530Ω,也就等于4.53KΩ。
深圳宏力捷推薦服務:PCB設計打樣 | PCB抄板打樣 | PCB打樣&批量生產 | PCBA代工代料
